Главная
Каталог
Запчасти для погрузчиков
Запчасти для вилочных погрузчиков Doosan
Запчасти для дизельных и газовых погрузчиков Doosan
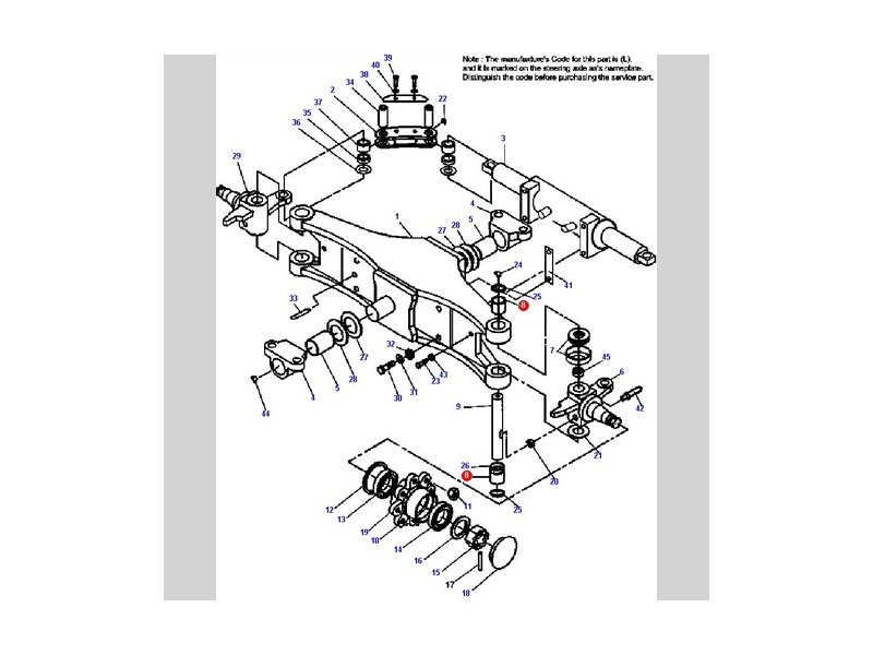
Игольчатый подшипник (Погрузчики Doosan D20G, D30G, G20G, G30G) A371096
Игольчатый подшипник (Погрузчики Doosan D20G, D30G, G20G, G30G) A371096
Есть в наличии
Артикул: Z94332
152 грн
Оплата
Доставка
-
Безналичный расчет
- Наложенный платёж
-
Новая почта
-
Самовывоз
Товар можно получить на нашем складе в одном из наших филиалов в Запорожье, Киеве, Днепре, Одессе, Харькове, Черновцах, Львове в рабочие дни с 9-00 до 16-30
Доставка крупногабаритных грузов, таких как вилочные погрузчики и складская техника с электроприводом, может осуществляться транспортом нашей компании
Характеристики
Описание
| Производитель | Doosan |
| Модель погрузчика | D20G D25G D30G G20G G25G G30G |
| Применяемость | Погрузчики DOOSAN |
| Система, узел | Мост управляемый |
| Вес, кг | 0,03 |

