Під замовлення
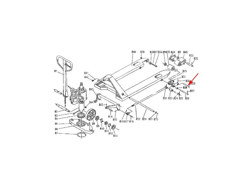
Артикул: B29-BF
Ціна за запитом
Оплата
Доставка
- Накладена оплата
- Безготівковий розрахунок
- Нова пошта
- Самовивезення
Товар можна отримати на нашому складі в одній із наших філій в Запоріжжі, Києві, Харкові, Дніпрі, Одесі, Чернівцях, Львові в робочі дні з 9-00 до 16-30
Доставка великогабаритних вантажів, таких як вилочні навантажувачі і складська техніка з електропривідом, може здійснюватися транспортом нашої компанії
Характеристики
Опис
| Виробник | Xilin |
| Додаткова інформація | Діаметр - 20 мм Длина - 122 мм Один отвір кріплення діаметр - 5 мм |
| Система, вузол | корпус рами |
Діаметр - 20 мм
Длина - 122 мм
Один отвір кріплення діаметр - 5 мм

